A dança das Lágrimas
23/06/2014
Todos nós sabemos que existem diferentes tipos de emoções e que podemos chorar de tristeza, alegria, saudade, e até mesmo ao descascar uma cebola. Além disso, já se sabia que cada emoção produz uma bioquímica muito diferente em nossos corpos. Contudo, um fato curioso e até chocante foi observar as lágrimas de perto, sob um microscópio, e perceber as diferenças nas imagens conforme a situação e a emoção envolvidas.
Em um certo dia, Rose-Lynn Fisher se perguntou se as lágrimas de tristeza seriam diferentes das lágrimas de alegria. Motivada por essa curiosidade, ela começou a estudar as lágrimas mais de perto, usando um microscópio. Ela analisou 100 lágrimas diferentes e fez uma descoberta fascinante: as lágrimas basais, aquelas que o nosso corpo produz para lubrificar os olhos, são completamente diferentes das lágrimas que surgem quando estamos cortando cebolas. De maneira ainda mais surpreendente, as lágrimas originadas de uma alegria intensa são totalmente distintas das lágrimas produzidas pela tristeza.
Assim como uma gota de água do oceano, cada minúscula lágrima carrega consigo um microcosmo da experiência humana.
Lágrimas de rir até chorar
De tristeza
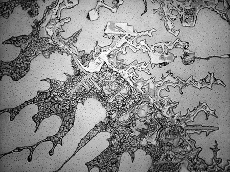
Lágrimas de cebola
O pesquisador Joseph Stromberg explicou que existem três tipos principais de lágrimas: basais, reflexivas e psíquicas (desencadeadas por emoções). Embora esses tipos de lágrimas se originem de diferentes processos, todas elas compartilham características em comum. Todas as lágrimas contêm substâncias orgânicas, como óleos, anticorpos e enzimas, e estão suspensas em água salgada. No entanto, os tipos distintos de lágrimas possuem moléculas diferentes, que as tornam únicas em sua composição.
Por exemplo, as lágrimas emocionais, que surgem em resposta a experiências psíquicas, contêm hormônios à base de proteínas, incluindo o neurotransmissor leucina encefalina. Esse composto atua como um analgésico natural, sendo liberado especialmente quando estamos estressados.
Além disso, quando observadas sob um microscópio, as lágrimas podem ter formas muito diversas, mesmo que sua composição química seja semelhante. Existem vários fatores que influenciam essas diferenças, como a viscosidade, o cenário, a taxa de evaporação e até mesmo as configurações do microscópio utilizado. Em resumo, até mesmo as lágrimas psíquicas, apesar de compartilharem a mesma composição básica, podem variar significativamente em sua aparência e características.
De esperança
Lágrimas de alegria de um momento liminar
De lembrança
E podemos concluir cada vez mais que nossos corpos são realmente incríveis e ainda temos muitos aspectos a serem explorados e descobertos, onde cada vez mais também sabemos sobre a relação: emoções e doenças, nos levando a olhar, perceber e cuidar da vida humana como um todo (mente corpo e espírito) se realmente quisermos ter uma saúde mais plena.
![]()






Muito bom! Estou surpesa com isso!
Realmente desperta o interesse em saber que mais temos neste universo infinito que é o nosso corpo.